
Turin, Metropolitan City of Turin, Italy
Residenziale - Appartamento
Zdravko Barisic
GoPillar contest
https://app.gopillar.com/contests/56c48d217d35618a24850066/submissions
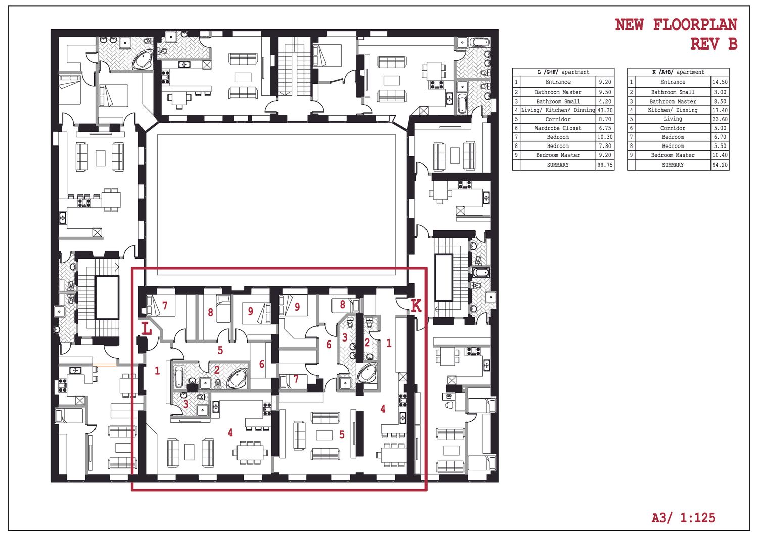
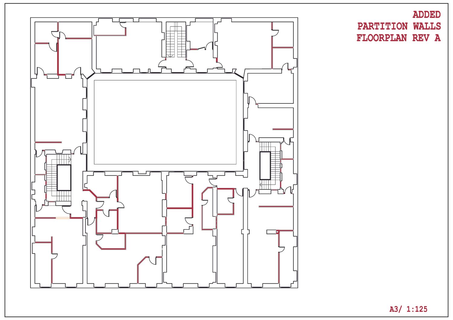
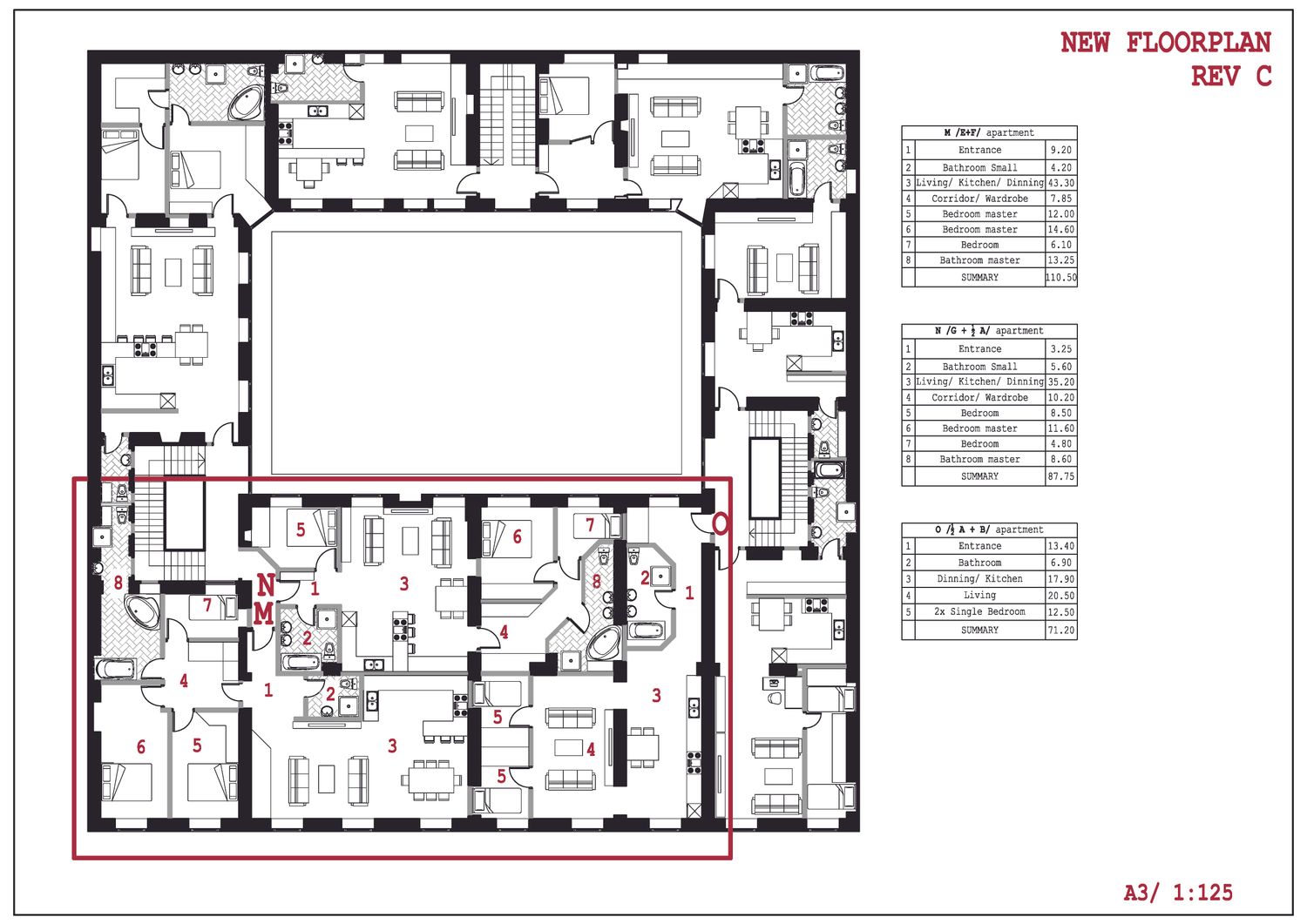
Goal: Renovation of old city residental building. The aim was to make new modern flats, within existing structure elements.