๐Ÿ”ฅ CYBER MONDAY 24H: -60% su tutti i prezzi del sito! Solo fino a mezzanotte. Usa il codice CYBERMONDAY25 ๐Ÿ‘‰๐Ÿผ
Home / Designer / MELISSA / 1-STROREY RESIDENCE
img

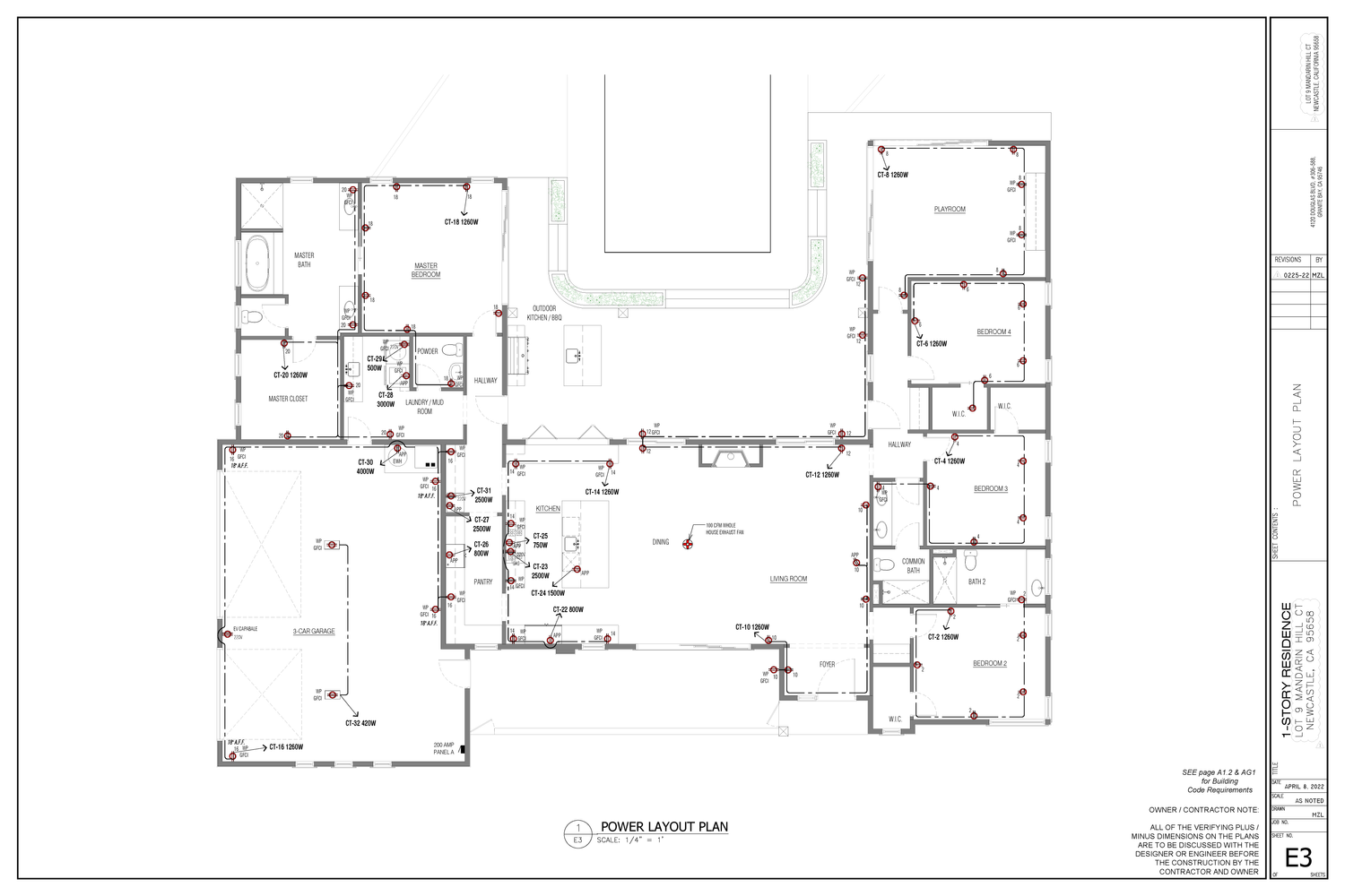
1-STROREY RESIDENCE

Newcastle, CA 95658, USA

Residenziale - Casa

MELISSA LAO

  • architect
  • TAGBILARAN CITY BOHOL, Philippines
Descrizione Progetto

THIS IS A ONE STOREY RESIDENCE WITH FOUR BEDROOMS ( BEDROOM 1 TO 3 PLUS 1 MASTER BEDROOM, MASTER TOILET & BATH), 1 PLAYROOM, 3-CAR GARAGE, A COURTYARD AT THE FRONT AND A BIG POOL AT THE REAR PART OF THE RESIDENCE. I DO THE DRAWINGS FROM THE SCRATCH WITH VARIOUS MARKUPS FROM THE CLIENT AND ONCE THE PLAN IS FINAL, I DO THE COMPLETE SETS OF CONSTRUCTION DRAWING (ARCHITECTURAL, ELECTRICAL, PLUMBING AND MECHANICAL DRAWINGS)

Leggi di Piรน